本文将介绍通过STM32的定时器输入捕获,如果对定时器不太熟悉的同学可以看下之前的文章《STM32基础定时器详解》,关于定时器的基础功能不再详解。下文将讲解timer1的捕获功能。
01、STM32捕获功能
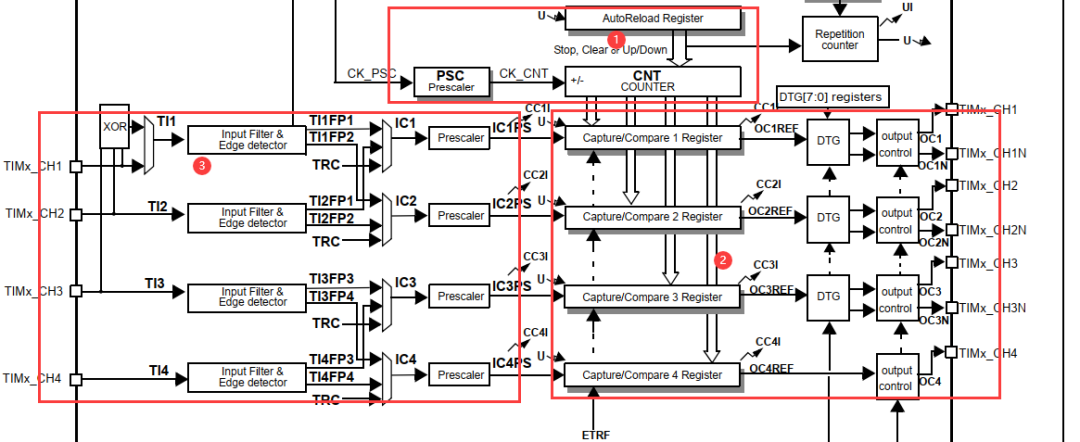
从STM32的定时器框图中看
①部分基础定时器模块,已经在《STM32基础定时器详解》讲解过了。
②部分捕获/对比通道模块,已经在《定时器的PWM功能》讲解过了。
③部分是本文的重点,输入捕获模块。
从上图可以看出定时器1共有4个输入捕获通道。
下文以定时器1的捕获通道2为例讲解。
首先确定下对应的GPIO,从STM32F207数据手册的Alternatefunction mapping看出,定时器1通道2对应的GPIO有PA9和PE11,下文将使用PE11。
02、输入捕获过程
输入阶段采样对应的对输入TIx,去产生滤波后的信号TIxF。然后极性选择边沿检测器产生一个信号(TIxFPx),这个信号可以被用于服务模式控制器的触发输入或在作为捕获命令。在捕获寄存器前被预分频。
输出阶段产生一个中间波形,被用于参考:OCxRef(高电平有效)。链地末尾末尾决定极0性。捕获/比较通道1 主电路。
①处主要是设置输入捕获滤波器,输入阶段采样对应的对输入TIx,去产生滤波后的信号TIxF。一般应用场景不做滤波处理,设置TIMx_CCMR1的ICF[3:0]=0000,只要采集到上升沿,就触发捕获。
②处主要是设置输入捕获极性,设置TIMx_CCER的CC1P或CC1NP位,如果通道配置为输出,为0表示高电平有效,为1表示低电平有效;如果配置成输入模式,该位选择是IC1还是IC1的反相信号作为触发或捕获信号。为0,表示不反相,为1表示反相。
③处设置输入捕获映射通道,设置TIMx_CCMR1的CC1S[1:0]位,这2位定义通道的方向(输入/输出),及输入脚的选择:
0o:CC1通道被配置为输出;
01:CC1通道被配置为输入,IC1映射在Tl1上;
10: CC1通道被配置为输入,IC1映射在TI2上;
11:CC1通道被配置为输入,IC1映射在TRC上。此模式仅工作在内部触发器输入被选中时(由TIMx_SMCR寄存器的TS位选择)。
④处设置输入捕获分频器,TIMx_CCMR1的ICPS[1:0]位和TIMx_CCER的CC1E位。
TIMx_CCMR1的ICPS[1:0]这2位定义了CC1输入(IC1)的预分频系数。一旦CC1E='O(TIMx_CCER寄存器中),则预分频器复位。
00:无预分频器,捕获输入口上检测到的每一个边沿都触发一次捕获;
01:每2个事件触发一次捕获;
10:每4个事件触发一次捕获;
11:每8个事件触发一次捕获。
TIMx_CCER的CC1E位
CC1通道配置为输出:
0:关闭一OC1禁止输出。
1:开启一OC1信号输出到对应的输出引脚。
CC1通道配置为输入:
该位决定了计数器的值是否能捕获入TIMx_CCR1寄存器。
0:捕获禁止;
0:捕获使能。
最后我们还需要设置中断,使系统快速响应输入捕获信号,主要是这只TIMx_DIER寄存器,如下:
使能允许更新中断和通道2中断
03、代码配置
设置GPIO复用
/* TIM1 channel 2 pin (PE.11) configuration*/
GPIO_InitStructure.GPIO_Pin = GPIO_Pin_11;
GPIO_InitStructure.GPIO_Mode =GPIO_Mode_AF;
GPIO_InitStructure.GPIO_Speed =GPIO_Speed_100MHz;
GPIO_InitStructure.GPIO_OType =GPIO_OType_PP;
GPIO_InitStructure.GPIO_PuPd =GPIO_PuPd_NOPULL;
GPIO_Init(GPIOE, &GPIO_InitStructure);
/*Connect TIM pins to AF2 */
GPIO_PinAFConfig(GPIOE,GPIO_PinSource11, GPIO_AF_TIM1);
设定定时基础功能
/* Time base configuration */
TIM_TimeBaseStructure.TIM_Period =0XFFFF;
TIM_TimeBaseStructure.TIM_Prescaler = (uint16_t)((SystemCoreClock) / 1000000) -1;
TIM_TimeBaseStructure.TIM_ClockDivision =TIM_CKD_DIV1;
TIM_TimeBaseStructure.TIM_CounterMode =TIM_CounterMode_Up;
TIM_TimeBaseInit(TIM1,&TIM_TimeBaseStructure);
配置通道2
TIM_ICInitStructure.TIM_Channel =TIM_Channel_2;
TIM_ICInitStructure.TIM_ICPolarity =TIM_ICPolarity_Falling;
TIM_ICInitStructure.TIM_ICSelection =TIM_ICSelection_DirectTI;
TIM_ICInitStructure.TIM_ICPrescaler =TIM_ICPSC_DIV1;
TIM_ICInitStructure.TIM_ICFilter =0x0;
TIM_ICInit(TIM1, &TIM_ICInitStructure);
使能中断
/* Enable the TIM1 global Interrupt*/
NVIC_InitStructure.NVIC_IRQChannel =TIM1_CC_IRQn;
NVIC_InitStructure.NVIC_IRQChannelPreemptionPriority= 0;
NVIC_InitStructure.NVIC_IRQChannelSubPriority =1;
NVIC_InitStructure.NVIC_IRQChannelCmd =ENABLE;
NVIC_Init(&NVIC_InitStructure);
NVIC_InitStructure.NVIC_IRQChannel =TIM1_UP_TIM10_IRQn;
NVIC_InitStructure.NVIC_IRQChannelSubPriority= 2;
NVIC_Init(&NVIC_InitStructure);
/* Enablethe CC2 Interrupt Request */
TIM_ITConfig(TIM1,TIM_IT_CC2|TIM_IT_Update, ENABLE);
使能定时器1
/* TIM enable counter */
TIM_Cmd(TIM1, ENABLE);
下载代码验证测试
硬件和软件开源地址:
https://github.com/strongercjd/STM32F207VCT6
点击查看本文所在的专辑,STM32F207教程

